On Sale
OBSB162 Assembly OBSB162 Manifold Assembly

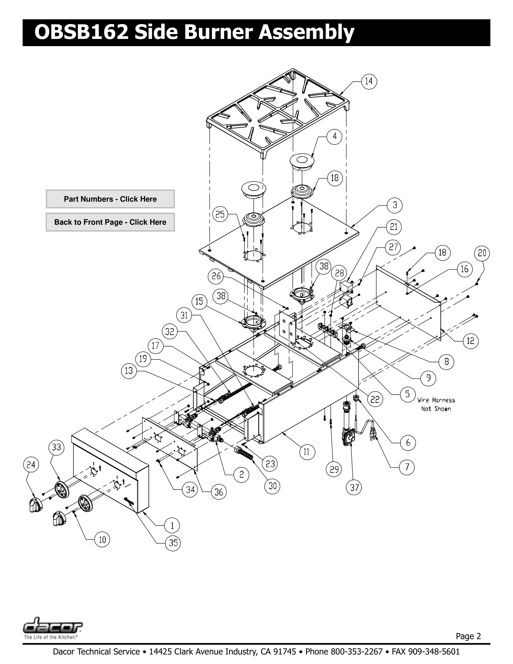
Below are all of the parts that are for the assembly of your Dacor OBSB162 Grill. Below the image are the parts that are included. If you're still having trouble finding the part you need for your OBSB162 grill, please give us a call at (844)703-9250 or Contact Us. If you have a different model number on your Dacor Grill, select it from the list on the right.